Web Analytics Made Easy - Statcounter
toro dingo 220 parts Toro dingo 220 valve parts diagram for model 22311 built in the year 2

toro dingo 220 parts Toro dingo 220 valve parts diagram for model 22311 built in the year 2

Toro dingo indiana sale description

If you are searching about Toro Dingo Parts Diagram - Hanenhuusholli you've came to the right web. We have 35 Images about Toro Dingo Parts Diagram - Hanenhuusholli like Toro Dingo 220 Wheeled Unit Kohler Gas Chain Drive 22300 22311 22317, Toro Dingo 220 Wheeled Unit Kohler Gas Chain Drive 22300 22311 22317 and also Toro Dingo Parts Diagram - General Wiring Diagram. Read more:

Toro Dingo Parts Diagram - Hanenhuusholli

Toro Dingo Parts Diagram - Hanenhuusholli hanenhuusholli.blogspot.com

dingo toro tracks shipped

TORO DINGO 220 Sale In Indiana #553692

TORO DINGO 220 sale in Indiana #553692 avcar.today

toro dingo indiana sale description

Toro Dingo Parts Diagram - Hanenhuusholli

Toro Dingo Parts Diagram - Hanenhuusholli hanenhuusholli.blogspot.com

toro dingo snowblower broom snowthrower

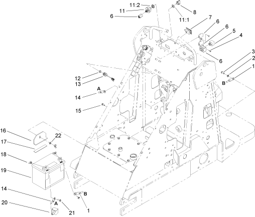
Toro Dingo 220 Electrical Parts Diagram For Model 22311 Built In The Y

Toro Dingo 220 Electrical Parts Diagram for Model 22311 Built in the Y torodingopartsonline.com

Toro Dingo Parts Diagram - General Wiring Diagram

Toro Dingo Parts Diagram - General Wiring Diagram galvinconanstuart.blogspot.com

toro dingo narrow

Toro Dingo 220 Four Spool Drive Valve Parts Diagram For Model 22311 Wi

Toro Dingo 220 Four Spool Drive Valve Parts Diagram for Model 22311 wi torodingopartsonline.com

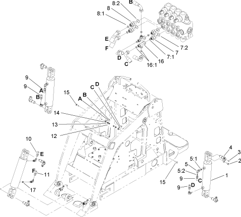
Toro Dingo 220 Hydraulic Cylinder Diagram For Model 22317 Built In The

Toro Dingo 220 Hydraulic Cylinder Diagram for Model 22317 Built in the torodingopartsonline.com

Toro Dingo 220 Hydraulic Tank And Hydraulic Filter Diagram For Model 2

Toro Dingo 220 Hydraulic Tank and Hydraulic Filter Diagram for Model 2 torodingopartsonline.com

Toro Dingo 220 Wheeled Unit Kohler Gas Chain Drive 22300 22311 22317

Toro Dingo 220 Wheeled Unit Kohler Gas Chain Drive 22300 22311 22317 www.esequipmentllc.com

dingo toro features gas

TORO DINGO 220 Sale In Indiana #553692

TORO DINGO 220 sale in Indiana #553692 avcar.today

toro dingo indiana sale description

Toro Dingo Electrical Drive System Parts Hydraulic Wheel Motor

Toro Dingo Electrical Drive System Parts Hydraulic Wheel Motor www.esequipmentllc.com

toro dingo parts drive system electrical diagram motor wheel hydraulic part

Toro Dingo 220 Hydraulic Valve Parts Diagram For Model 22317 Built In

Toro Dingo 220 Hydraulic Valve Parts Diagram for Model 22317 Built in torodingopartsonline.com

Toro Dingo Backhoe Attachment Parts

Toro Dingo Backhoe Attachment Parts www.esequipmentllc.com

backhoe toro dingo attachment parts boom hydraulic model

Toro Dingo 220 Decal Kit For 220's Made In The Year 2005 Through 2016

Toro Dingo 220 Decal Kit for 220's Made in the Year 2005 Through 2016 torodingopartsonline.com

2016 Toro Dingo 220

2016 Toro Dingo 220 twentywheels.com

dingo toro skid loaders steer heavy equipment

Toro Dingo 220 Skid Steer Loader

Toro Dingo 220 Skid Steer Loader twentywheels.com

dingo toro skid steer loader enlarge click

Toro Dingo 220 Four Spool Valve Part Number 105-8406 Repair Parts

Toro Dingo 220 Four Spool Valve Part Number 105-8406 Repair Parts torodingopartsonline.com

Toro Dingo 220 Valve Parts Diagram For Model 22311 Built In The Year 2

Toro Dingo 220 Valve Parts Diagram for Model 22311 Built in the Year 2 torodingopartsonline.com

Toro Dingo Parts Diagram - General Wiring Diagram

Toro Dingo Parts Diagram - General Wiring Diagram galvinconanstuart.blogspot.com

toro dingo stx

Toro Dingo Tires And Rims For TX Loaders - ProPartsDirect

Toro Dingo Tires and Rims For TX Loaders - ProPartsDirect www.propartsdirect.net

dingo toro tires tire lh assembly wheel propartsdirect 2747 rims

2016 Toro Dingo 220

2016 Toro Dingo 220 twentywheels.com

dingo toro enlarge click

Toro Dingo 220 Four Spool Drive Valve Parts Diagram For Model 22311 Bu

Toro Dingo 220 Four Spool Drive Valve Parts Diagram for Model 22311 Bu torodingopartsonline.com

TORO 22317 DINGO 220 OPERATOR'S MANUAL Pdf Download | ManualsLib

TORO 22317 DINGO 220 OPERATOR'S MANUAL Pdf Download | ManualsLib www.manualslib.com

Toro Dingo Parts Diagram - General Wiring Diagram

Toro Dingo Parts Diagram - General Wiring Diagram galvinconanstuart.blogspot.com

dingo toro hydraulic

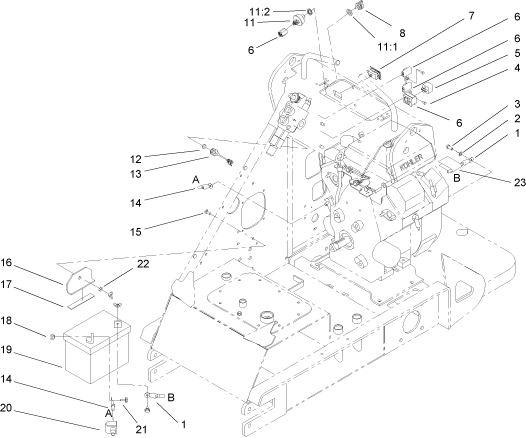
Toro Dingo 220 Electrical Parts Diagram For Model 22317 Built In The Y

Toro Dingo 220 Electrical Parts Diagram for Model 22317 Built in the Y torodingopartsonline.com

Toro Dingo Dingo 220 Compact Utility Loader

Toro Dingo Dingo 220 Compact Utility Loader weingartz.com

dingo toro loader utility compact weingartz

Toro Dingo 220 Wheeled Unit Kohler Gas Chain Drive 22300 22311 22317

Toro Dingo 220 Wheeled Unit Kohler Gas Chain Drive 22300 22311 22317 www.esequipmentllc.com

dingo toro wheeled features kohler

Toro Dingo 320d Diesel 22337cp 22303

toro dingo 320d diesel 22337cp 22303 www.esequipmentllc.com

dingo toro 320d features specifications

Toro Dingo 220 Skid Steer Loader

Toro Dingo 220 Skid Steer Loader twentywheels.com

dingo toro skid steer loader

Toro Dingo Parts Diagram - General Wiring Diagram

Toro Dingo Parts Diagram - General Wiring Diagram galvinconanstuart.blogspot.com

dingo toro trencher roller

Toro Dingo Parts Diagram - General Wiring Diagram

Toro Dingo Parts Diagram - General Wiring Diagram galvinconanstuart.blogspot.com

dingo txl 2000 loaders compact

Toro Dingo 220 Hydraulic Valve Parts Diagram For Model 22317 Built In

Toro Dingo 220 Hydraulic Valve Parts Diagram for Model 22317 Built in torodingopartsonline.com

Toro Dingo Compact Utility

Toro Dingo Compact Utility www.centurycartconnect.com

dingo toro

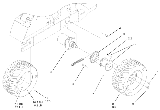
Toro Dingo 220 Rear Wheel Parts Diagram For Model 22317 Built In The Y

Toro Dingo 220 Rear Wheel Parts Diagram for Model 22317 Built in the Y torodingopartsonline.com

Toro Dingo 220 Drive Valve And Hydraulic Routing Diagram For Model 223

Toro Dingo 220 Drive Valve and Hydraulic Routing Diagram for Model 223 torodingopartsonline.com

Dingo toro skid steer loader. Toro dingo parts drive system electrical diagram motor wheel hydraulic part. Dingo toro enlarge click